Pronájem skladu, Chomutov, Pražská, 7300 m2

Pražská, Chomutov

125 Kč
/za metr čtvereční / měsíc
Získejte výhodnou HYPOTÉKU Chci hypotéku

Parametry nemovitosti

AdresaPražská, Chomutov
IDMR14045
StavbaSmíšená
Stav objektuPo rekonstrukci
Typ objektuPřízemní
Užitná plocha7300 m2
Třída energetické náročnostiB - Velmi úsporná
Elektřina230V, 400V
OdpadVeřejná kanalizace
TopeníÚstřední elektrické, Ústřední dálkové
TelekomunikaceTelefon, Internet
DopravaSilnice, MHD, Autobus
VodaVodovod
Bezbarierový přístup
Parkování
Nízkoenergetický

Origo partneři v Chomutově

Okna a dveře

Rekonstrukce

Zámečnické práce

Popis

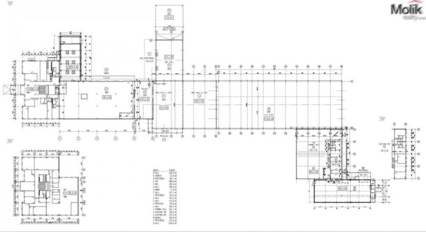
Nabízíme k pronájmu areál 30000 m2 v hodný pro výrobu, sklad, logistiku, a služby o rozloze 7300 m2 ( možnost i částečný pronájem administrativní budovy, skladů a výrobní haly ). Areál se nachází v průmyslové zóně města Chomutov a je ideálně situován s přístupem z ulic Pražská a Raisova blízko centra a zároveň dálnice D7


Technický popis:
- Energetická náročnost: Areál je energeticky úsporný s klasifikací B.
- Vytápění: Zajištěno pomocí horkovodního systému s dvěma výměníkovými stanicemi.
- Energetická energie: Vlastní VN trafostanice s rezervovanou kapacitou 600 kVA.
- Fotovoltaika: Elektrárna o výkonu 99,9 kWp a bateriové úložiště o kapacitě 52 kWh.
- Vodovodní přípojky: Dvě samostatné přípojky vody a technologická voda za cenu 23 Kč/m3.
- Administrativní budova: Rozloha cca 1 300 m2.
- Skladovací a výrobní haly: Celková plocha cca 6 000 m2, výška od 4,5 do 15 metrů.
- Bez obslužný zakladač 1: Kapacita až 2 500 europalet, nosnost 1 000 kg, připraveno na dalších 5 000 palet.
- Bez obslužný zakladač 2: 8 000 ks (600 x 400 x 220 mm) s nosností 50 kg, připraveno na další kusy.
- Volná plocha: cca 4 000 m2 vhodná pro další výstavbu.
- Rok výstavby budov: 1996 až 2008, s rekonstrukcí v roce 2023.



Pro více informací mne kontaktujte 7 dní v týdnu.

Makléř

Máte zájem o tuto nemovistost?

Tímto, v souladu s nařízením Evropského parlamentu a Rady (EU) 2016/679, v platném znění, prohlašuji, že mi je alespoň 16 let a uděluji tak svůj souhlas se zpracováním zadaných údajů (jméno, telefon, e-mail, ip adresa) společnosti B3 Technology, s.r.o., IČ: 07330600, se sídlem Novostavby 126/23, 435 11 Lom (správce dat), za účelem předání dotazu z tohoto formuláře Vámi vybranému inzerentovi a zpětného kontaktování mé osoby. Osobní údaje bude správce zpracovávat manuálně i automaticky přímo prostřednictvím svých zaměstnanců. Informace předané tímto formulářem budou uloženy v databázi správce maximálně po dobu 10 let. Odvolání souhlasu s uložením a zpracováním poskytnutých dat lze e-mailem na info@origo-reality.cz. V případě podezření na neoprávněné použití Vámi poskytnutých údajů máte právo předat podnět k šetření Úřadu pro ochranu osobních údajů. Více informací
Chystáte se prodat nemovitost?
Pomůžeme Vám!

Přihlášení k odběru

Nenechte si ujít nejnovější nabídky pronájmu skladů v Chomutově.